Product Centre

Fully Liquid Air Separation Equipment

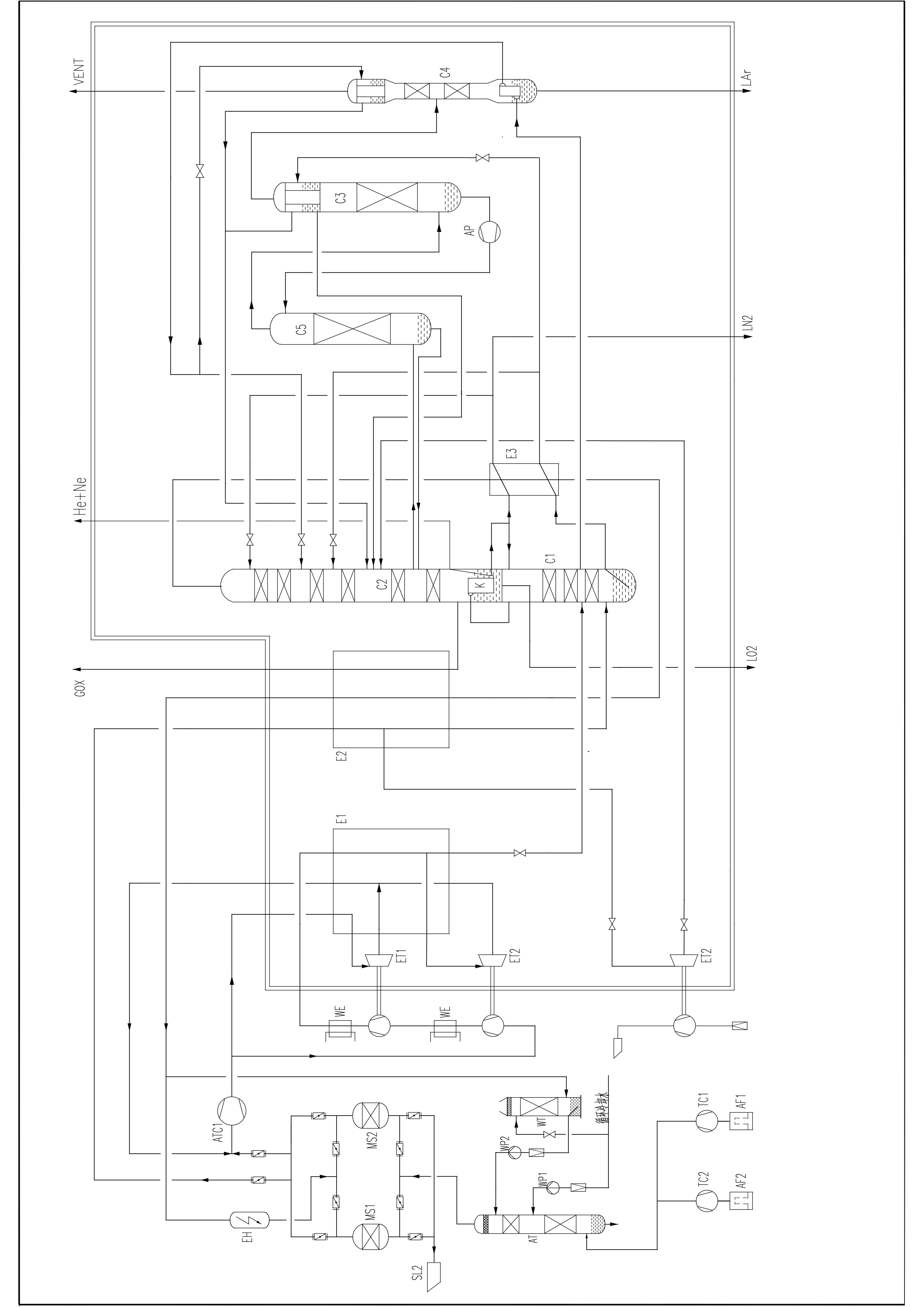
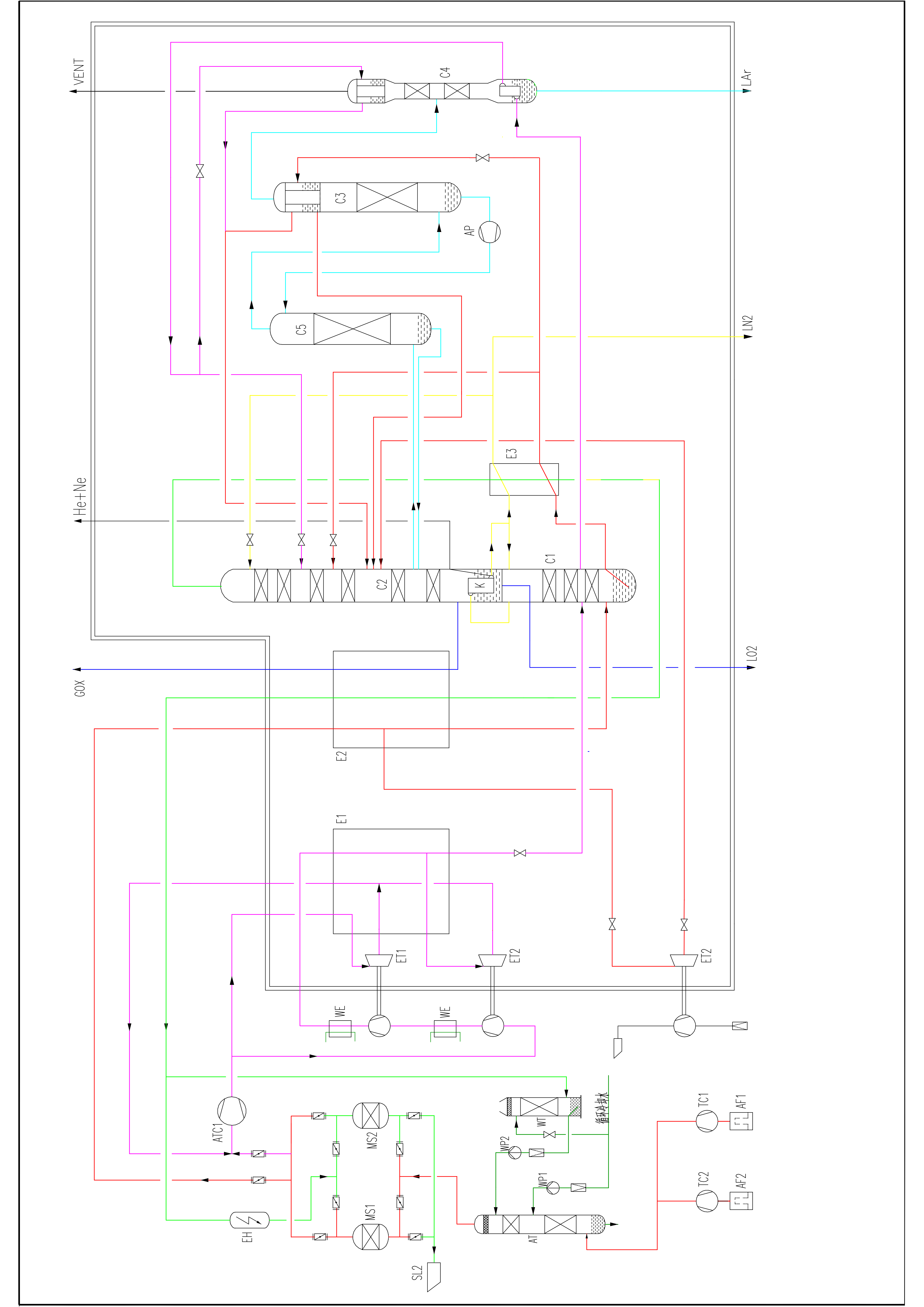
Micro-Temperature Technology's all-liquid air separation unit features an advanced and rational process configuration. It not only ensures long-term stable operation but also achieves substantial liquefaction capacity with low energy consumption. The current implementation employs booster turbine expanders and circulating compressors, offering compact dimensions, fewer units, high efficiency, and reduced costs. Simultaneously, it delivers enhanced operational stability, safety, and reliability, enabling unmanned operation.
  • Category :
  • Browse number : ...
  • Release time : 2025-10-11
  • Detailed Description

全液体空分装置_01

全液体空分设备流程图_01(1)

全液体空分设备流程图_00

url : https://en.cryo-mi.com/product/253.html
Keywords :
Contact details

Technical Contact:

Mr Xu +8613861117536  Email: cryomi98@gmail.com

Sales Contact:

Mr Zhang +8618861229016  

Visitor Appointment Address:  
No. 99 Yijing Road, Jintan District, Changzhou City, Jiangsu Province

Copyright © 2023-2043 Changzhou Micron Cryogenic Equipment Technology Co.,Ltd.

在线客服

online service

Hello, I am the online customer service

X