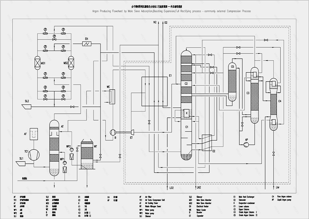
The micron air separation unit employs an advanced, fully low-pressure process featuring molecular sieve pre-purification and turbine expansion refrigeration. Precise calculations combined with practical experience ensure product performance meets customer requirements. After removal of dust and mechanical impurities in air filters, the feed air enters the air turbine compressor. It then passes through the air cooling tower for heat exchange with water before entering the molecular sieve adsorber. A portion of gas is drawn from the middle section of the main heat exchanger into the expansion machine. The expanded air enters the upper tower. Upon entering the main heat exchanger, the air is cooled to saturation temperature by the reflux gas and enters the lower tower carrying a small amount of liquid. Following preliminary distillation in the lower tower, oxygen-enriched liquid air is obtained. This liquid air undergoes subcooling in a cooler before throttling into the upper tower. After further distillation in the upper tower, oxygen with a purity of 99.6% is obtained at the bottom of the upper tower. This oxygen product is reheated in the main heat exchanger, exits the cold box, and is delivered to the user. Nitrogen at 99.999% purity is obtained from the top of the upper column. After reheating via the cooler and main heat exchanger, it exits the cold box. Contaminated nitrogen is drawn from the top of the upper column, reheated via the cooler and main heat exchanger, then exits the cold box. This gas is heated in the regeneration heater and used as molecular sieve regeneration gas, with excess vented. The argon fraction drawn from the middle-lower section of the upper tower enters the bottom of crude argon tower 1. Rising vapour is withdrawn from the top of crude argon tower 1 and enters the bottom of crude argon tower 2. Following distillation through both towers, crude argon is obtained at the top of crude argon tower 2. The bulk of this crude argon enters the crude argon tower condenser, where it is liquefied by liquid air and returned to the tower as reflux liquid. This liquid, after being pressurised by the liquid argon pump, is fed to the top of crude argon tower 1. The liquid fraction distilled from crude argon tower 1 returns to the upper tower from the bottom. Part of the crude argon enters the refined argon tower. After distillation in the refined argon tower, the required pure argon is obtained at the bottom of the refined argon tower. The above outlines the process flow and technology for chemical industry solutions. Micron Cryogenic Technology has long been dedicated to implementing air separation solutions across various industries, providing clients with premium air separation solutions services. We offer bespoke, one-to-one customisation to meet client requirements.

Copyright © 2023-2043 Changzhou Micron Cryogenic Equipment Technology Co.,Ltd.
Hello, I am the online customer service