Service Case Studies

Henan Zhengjia KDN-500 High-Purity Nitrogen Equipment

  • Category:
  • Browse number: ...
  • Release time: 2025-10-11
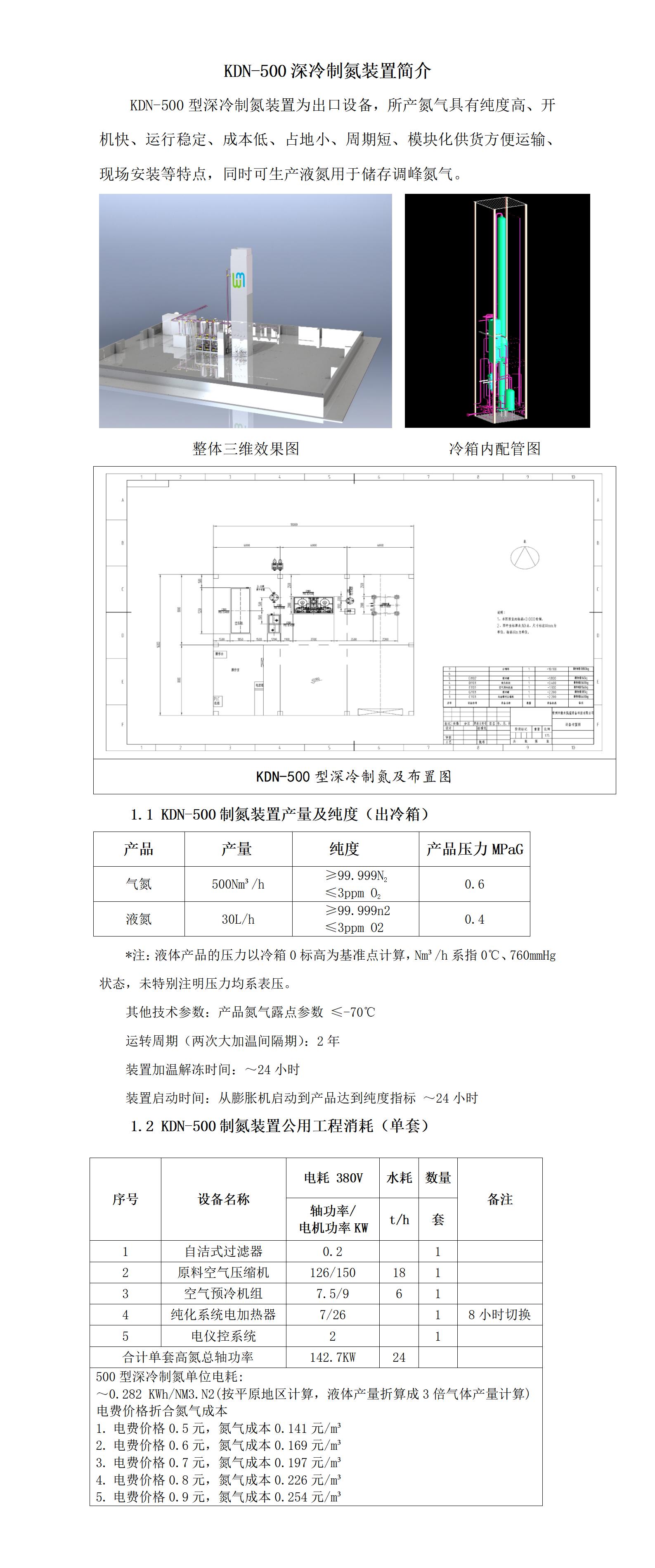
The KDN-500 cryogenic nitrogen generator is an export-grade unit. It produces nitrogen gas characterised by high purity, rapid start-up, stable operation, low cost, compact footprint, short production cycles, and modular supply for convenient transportation and on-site installation. It can also produce liquid nitrogen for storage and peak-shaving applications.

500模型

500制氮冷箱(1)(1)(1)_01

url: https://en.cryo-mi.com/70942/400.html
Contact details

Technical Contact:

Mr Xu +8613861117536  Email: cryomi98@gmail.com

Sales Contact:

Mr Zhang +8618861229016  

Visitor Appointment Address:  
No. 99 Yijing Road, Jintan District, Changzhou City, Jiangsu Province

Copyright © 2023-2043 Changzhou Micron Cryogenic Equipment Technology Co.,Ltd.

在线客服

online service

Hello, I am the online customer service

X