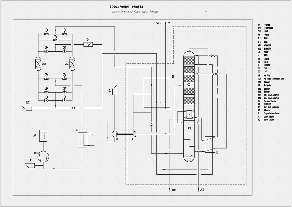
The micrometre air separation unit employs an advanced, fully low-pressure process featuring molecular sieve pre-purification and turbine expansion refrigeration. Precise calculations combined with practical experience ensure product performance meets customer requirements. This installation comprises: air filtration system, air compression system, air pre-cooling system, molecular sieve purification system, turbine expansion unit, oxygen compression system, nitrogen compression system, liquid storage system, instrumentation and control system, and electrical control system. After removal of dust and other mechanical impurities in the air filter, the feed air enters the air turbine compressor, where it is compressed to the required pressure. It then passes through the air cooling tower for heat exchange with water before entering two alternately operated molecular sieve adsorbers. Here, impurities such as moisture, CO₂, and C₂H₂ are adsorbed by the molecular sieves. A portion of gas is drawn from the middle section of the main heat exchanger and enters the expander. The expanded air then enters the upper tower. After passing through the main heat exchanger, the air is cooled to saturation temperature by the counter-current gas flow and enters the lower tower carrying a small amount of liquid. Following preliminary fractionation in the lower tower, oxygen-enriched liquid air is obtained. This liquid air undergoes subcooling in a cooler before throttling into the upper tower. After further fractionation in the upper tower, oxygen with a purity of 99.6% is obtained at the bottom of the upper tower. This product oxygen is reheated in the main heat exchanger, exits the cold box, and is delivered to the user. Nitrogen at 99.999% purity is obtained from the top of the upper column. After reheating via the cooler and main heat exchanger, it exits the cold box. Contaminated nitrogen is drawn from the upper tower top. After reheating via the cooler and main heat exchanger, it exits the cold box and enters the regenerator heater for heating. This serves as the molecular sieve regeneration gas, with excess gas vented. The above outlines the process and technology for ceramic-based economic industry solutions. Micron Cryogenic Technology has long been dedicated to implementing air separation solutions across various industries, providing clients with premium air separation solution services. We offer bespoke, one-to-one customisation to meet client requirements.

Copyright © 2023-2043 Changzhou Micron Cryogenic Equipment Technology Co.,Ltd.
Hello, I am the online customer service